产品中心
PRODUCT
0577-86551238
电容专用串联电抗器您的位置:首页 > 产品中心> 电容专用串联电抗器
电容专用串联电抗器
该系列干式铁芯串联电抗器用于低压无功补偿柜中,与电容器相串联,当低压电网中有大量整流、变流装置等谐波源时,其产生的高次谐波会严重危害主变及其它电器设备的安全运行。电抗器与电容器相串联后,能有效地吸收电网谐波,改善系统的电压波形,提高系统的功率因数,并能有效地抑制合闸涌流及操作过电压,有效地保护了电容器。
¤ 该电抗器分为三相和单相两种,均为铁心干式。 ¤ 铁芯采用优质低损耗进口冷轧取向硅钢片,芯柱由多个气隙分成均匀小段,气隙采用环氧层压玻璃布板作间隔,以保证电抗气隙在运行过程中不发生变化。 ¤ 线圈采用H 级或C 级漆包扁线绕制,排列紧密且均匀,外表不包绝缘层,具有美感且有较好的散热性能。 ¤ 电抗器的线圈和铁芯组装成一体后经过预烘→真空浸漆→热烘固化这一工艺流程,采用H 级浸渍漆,使电抗器的线圈和铁芯牢固地结合在一起,不但大大减小了运行时的噪音,而且具有较高的耐热等级,可确保电抗器在高温下亦能安全低噪音地运行。 ¤ 电抗器芯柱部分紧固件采用无磁性材料,确保电抗器具有较高的品质因数和较低的温升,确保具有较好的滤波效果。 ¤ 外露部件均采取了防腐蚀处理,引出端子采用镀锡铜管端子。
¤ 可用于400V、660V 系统。
● 低压三相串联电抗器CKSG 系列(6%) 参数表
● 低压三相串联电抗器CKSG 系列(7%) 参数表
● 低压三相串联电抗器CKSG 系列(14%) 参数表
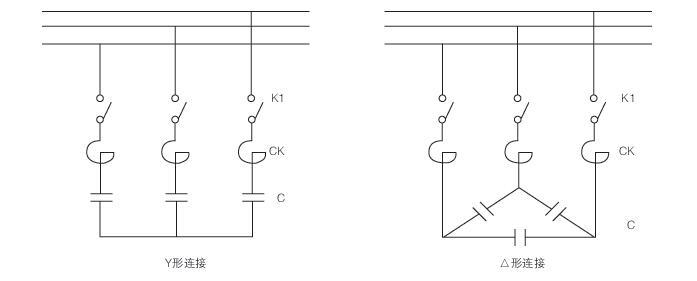
接线方式
安装尺寸示意图
¤ 海拔高度不超过2000 米。